Product Summary
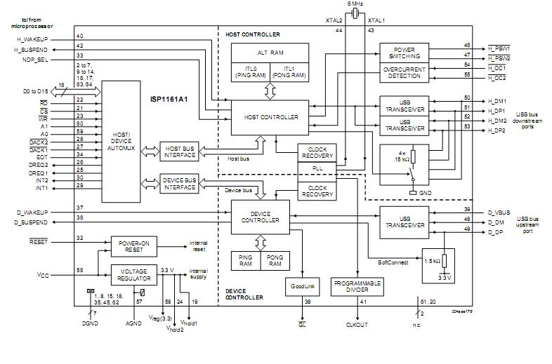
The ISP1161A1BM is a single-chip Universal Serial Bus (USB) Host Controller (HC) and Device Controller (DC) . The Host Controller portion of the ISP1161A1BM complies with Universal Serial Bus Specification Rev. 2.0, supporting data transfer at full-speed (12Mbit/s) and low-speed (1.5Mbit/s) . The Controller portion of the ISP1161A1BM also complies withUniversal Serial Bus Specification Rev. 2.0, supporting data transfer at full-speed (12Mbit/s) .
Parametrics
ISP1161A1BM absolute maximum ratings: (1) supply voltage on pin Vcc: -0.5 to +6.0V; (2) supply voltage on pin Vreg: -0.5 to +4.6V; (3) input voltage VI: -0.5 to +6.0V; (4) latch-up current Iiu: 100mA (VI<0 or VI>VCC) ; (5) electrostatic discharge voltage Vesd ILI<1μA: -2000 to +2000V; (6) storage temperature Tstg: -60 to +150°C.
Features
ISP1161A1BM features: (1) Complies withUniversal Serial Bus Specification Rev. 2.0; (2) The Host Controller portion of the ISP1161A1 supports data transfer at full-speed; (3) The Device Controller portion of the ISP1161A1 supports data transfer at ull-speed (12Mbit/s) ; (4) Combines theHC and theDC in a single chip; (5) On-chipDC complies with most USB device class specifications; (6) Both theHC and theDC can be accessed by an external microprocessor via separate I/O port addresses; (7) Selectable one or two downstream ports for theHC and one upstream port for the DC; (8) Operation from a 5V or a 3.3V power supply; (9) Operating temperature range: -40 to +85°C; (10) Available in two LQFP64 packages (SOT314-2 and SOT414-1) .
Diagrams

| Image | Part No | Mfg | Description | ![]() |
Pricing (USD) |
Quantity | ||||
|---|---|---|---|---|---|---|---|---|---|---|
![]() |
![]() ISP1161A1BM |
![]() |
![]() IC USB HOST/DEVICE CTRLR 64-LQFP |
![]() Data Sheet |
![]() Negotiable |
|
||||
![]() |
![]() ISP1161A1BM,518 |
![]() NXP Semiconductors |
![]() USB Interface IC USB1.1 HOST/DEVICE |
![]() Data Sheet |
![]() Negotiable |
|
||||
![]() |
![]() ISP1161A1BM,551 |
![]() NXP Semiconductors |
![]() USB Interface IC USB HOST+DEV CTRLR |
![]() Data Sheet |
![]() Negotiable |
|
||||
![]() |
![]() ISP1161A1BM-S |
![]() NXP Semiconductors |
![]() USB Interface IC USB HOST+DEV CTRLR |
![]() Data Sheet |
![]() Negotiable |
|
||||
![]() |
![]() ISP1161A1BM-T |
![]() NXP Semiconductors |
![]() USB Interface IC USB1.1 HOST/DEVICE CONTROLLER |
![]() Data Sheet |
![]() Negotiable |
|
||||
![]() ISP1161A1BMGA |
![]() |
![]() IC USB HOST/DEVICE CTRLR 64-LQFP |
![]() Data Sheet |
![]() Negotiable |
|
|||||
![]() |
![]() ISP1161A1BMUM |
![]() |
![]() IC USB HOST CONTROLLER 64LQFP |
![]() Data Sheet |
![]() Negotiable |
|
||||
(Hong Kong)









